本樣本列出了KPM公司在工業(yè)上使用的行星減速機系列,這里集合了緊湊、高性能優(yōu)點的模塊化設計的全系列減速機。多年來的商業(yè)成功證實了產品的優(yōu)良性、可靠性、簡易安裝和維護。
KPM的工業(yè)用行星減速機的機型保證了各種工況的適宜運行和低噪音。
主要特點
—不斷增大的機型,額定扭矩從900Nm到60000Nm。
—直線型直到4級傳動,速比從1:3到1:3000。
—直角型直到4級傳動,速此從1:10到1:3000。
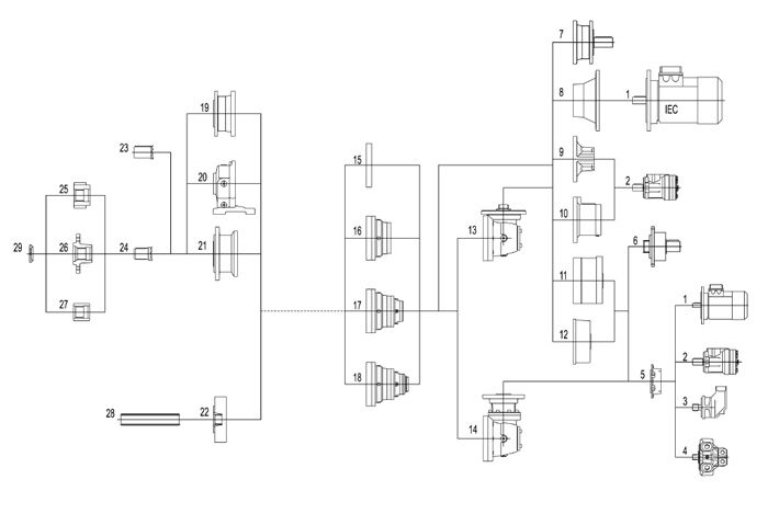
—輸出型式:內孔輸出的帶法蘭減速器.帶鎖緊盤的軸安裝減速器或直接聯軸。實心軸的帶法蘭減速器,地腳安裝等。
—輸入型式:高速輸入軸,電動,液壓馬達的接盤;多碟制動器等。
—多種輸入、輸出選擇和標準附件。
手機版|














